為落實《“十四五”智能制造發展規劃》,深入實施智能制造工程,打造智能制造“升級版”,工業和信息化部、國家標準化管理委員會近日聯合印發《國家智能制造標準體系建設指南(2024版)》(以下簡稱2024版《指南》)。
2015年以來,工業和信息化部會同國家標準化管理委員會等部門,統籌推進智能制造標準化工作,迭代發布四版《國家智能制造標準體系建設指南》。截至目前,我國累計發布智能制造國家標準472項、國際標準50余項,支持建設135個標準應用試點項目,加速標準落地、引領產業應用、深化國際合作,為智能制造深入發展提供有力支撐。
2024版《指南》提出到2026年,制修訂100項以上國家標準與行業標準的目標。在前三版基礎上,新版《指南》優化了標準體系框架和標準布局,進一步聚焦人工智能等新技術與制造業的融合應用,新增了工業軟件、智能裝備、制造模式等標準方向,以及輕工、化工等細分行業標準體系建設內容。
下一步,工業和信息化部將會同國家標準化管理委員會等部門,強化指南宣貫、加快標準研制、深化標準應用、加強國際合作,推動智能制造向更大范圍拓展、更深程度滲透、更高層次演進。
關于印發國家智能制造標準體系建設指南(2024 版)的通知
工信部聯科〔2025〕60號
各省、自治區、直轄市及計劃單列市、新疆生產建設兵團工業和信息化主管部門、市場監管局(廳、委),有關行業協會、標準化技術組織和專業機構:
為貫徹落實《中華人民共和國國民經濟和社會發展第十四個五年規劃和2035年遠景目標綱要》《國家標準化發展綱要》《“十四五”智能制造發展規劃》,加強智能制造標準化工作頂層設計,切實發揮標準對推動智能制造高質量發展的引領作用,我們組織編制了《國家智能制造標準體系建設指南(2024版)》。現印發給你們,請結合實際,抓好貫徹落實。
工業和信息化部
國家標準化管理委員會
2025年3月7日
國家智能制造標準體系建設指南
(2024版)
一、智能制造系統架構
智能制造是基于先進制造技術與新一代信息技術深度融合,貫穿于設計、生產、物流、銷售、服務等產品全生命周期,具有自感知、自決策、自執行、自適應、自學習等功能,旨在提高制造業質量和創新能力、效率效益和柔性的先進生產方式。
智能制造系統架構從生命周期、系統層級和智能特征等3個維度對智能制造所涉及的要素、裝備、活動等內容進行描述,主要用于明確智能制造的標準化對象和范圍。智能制造系統架構如圖1所示。

圖 1 智能制造系統架構
1. 生命周期
生命周期涵蓋從產品原型研發到產品回收再制造的各個階段,包括設計、生產、物流、銷售、服務等一系列相互聯系的價值創造活動。生命周期的各項活動可進行迭代優化,具有可持續性發展等特點,不同行業的生命周期構成和時間順序不盡相同。
(1)設計是指根據企業的所有約束條件以及所選擇的技術來對需求進行實現和優化的過程;
(2)生產是指將物料進行加工、運送、裝配、檢驗等活動創造產品的過程;
(3)物流是指物品從供應地向接收地的實體流動過程;
(4)銷售是指產品或商品等從企業轉移到客戶手中的經營活動;
(5)服務是指產品提供者與客戶接觸過程中所產生的一系列活動的過程及其結果。
2. 系統層級
系統層級是指與企業生產活動相關的組織結構的層級劃分,包括設備層、單元層、車間層、企業層和協同層。
(1)設備層是指企業利用傳感器、儀器儀表、機器、裝置等,實現實際物理流程并感知和操控物理流程的層級;
(2)單元層是指用于企業內處理信息、實現監測和控制物理流程的層級;
(3)車間層是實現面向工廠或車間的生產管理的層級;
(4)企業層是實現面向企業經營管理的層級;
(5)協同層是企業實現其內部和外部信息互聯和共享,實現跨企業間業務協同的層級。
3. 智能特征
智能特征是指制造活動具有的自感知、自決策、自執行、自學習、自適應之類功能的表征,包括資源要素、互聯互通、融合共享、系統集成和新興業態等5層智能化要求。
(1)資源要素是指企業從事生產時所需要使用的資源或工具及其數字化模型所在的層級;
(2)互聯互通是指通過有線或無線網絡、通信協議與接口,實現資源要素之間的數據傳遞與參數語義交換的層級;
(3)融合共享是指在互聯互通的基礎上,利用云計算、大數據等新一代信息通信技術,實現信息協同共享的層級;
(4)系統集成是指企業實現智能制造過程中的裝備、生產單元、生產線、數字化車間、智能工廠之間,以及智能制造系統之間的數據交換和功能互連的層級;
(5)新興業態是指基于物理空間不同層級資源要素和數字空間集成與融合的數據、模型及系統,建立的涵蓋認知、診斷、預測及決策等功能,且支持虛實迭代優化的層級。
二、總體要求
以習近平新時代中國特色社會主義思想為指導,全面貫徹黨的二十大和二十屆三中全會精神,認真落實中央經濟工作會議和全國新型工業化推進大會部署要求,立足新發展階段,全面貫徹新發展理念,服務新發展格局,深入落實《中華人民共和國國民經濟和社會發展第十四個五年規劃和2035年遠景目標綱要》《國家標準化發展綱要》《“十四五”智能制造發展規劃》等部署要求,堅定不移實施制造強國、網絡強國戰略,強化標準支撐引領,統籌推進國內國際標準化工作,持續完善智能制造標準工作頂層設計,以高質量智能制造標準支撐現代化產業體系建設,加快發展新質生產力,助力新型工業化高質量發展,推動制造業高端化、智能化、綠色化轉型升級。
統籌規劃,前瞻引領。加強“國家+行業”智能制造標準體系頂層設計,統籌推進國家標準與行業標準、國內標準與國際標準的制定與實施。加快基礎共性、關鍵技術、行業應用等重點標準制修訂,發布一批前瞻性、引領性標準。
需求牽引,應用拓展。圍繞現代化產業體系建設的標準化需求,聚焦產品全生命周期、生產全過程、供應鏈全環節,構建典型場景標準群。以標準應用項目和貫標行動為工作抓手,釋放智能制造標準應用效能,固化技術創新成果。
立足國情,開放合作。結合我國智能制造發展現狀,緊跟國際技術和產業發展趨勢,系統規劃布局戰略性、先進性國際標準。深化國際交流合作,積極分享成熟中國標準化方案,共同制定智能制造國際標準,不斷提升我國智能制造標準國際化水平。
到2026年,制修訂100項以上國家標準、行業標準,構建適應新型工業化發展的智能制造標準體系。加快制定智能檢測、智能物流等智能裝備標準,研發設計、生產制造等工業軟件標準,智能設計、智能管理等智能工廠標準,供應鏈建設、供應鏈運營等智慧供應鏈標準,數字孿生裝備、人工智能工業應用、工業數據流通等智能賦能技術標準,網絡協同制造、產銷一體化運營等智能制造新模式標準,工業無線網絡、工業網絡融合等工業網絡標準,探索標準研制新方法,固化成功經驗和創新成果,形成典型場景系統解決方案標準,引導企業應用標準指導實踐,構建企業智能制造標準體系,推動智能制造高質量發展。
三、建設思路
(一)智能制造標準體系結構
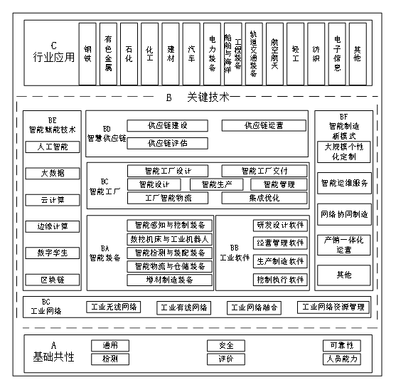
智能制造標準體系結構包括A基礎共性、B關鍵技術、C行業應用等3個部分,主要反映標準體系各部分的組成關系。智能制造標準體系結構圖如圖2所示。

圖2 智能制造標準體系結構圖
具體而言,A基礎共性標準包括通用、安全、可靠性、檢測、評價、人員能力等6大類,位于智能制造標準體系結構圖的最底層,主要用于統一智能制造相關概念,解決智能制造基礎共性關鍵問題,是B關鍵技術標準和C行業應用標準的支撐。B關鍵技術標準是智能制造系統架構智能特征維度在生命周期維度和系統層級維度所組成的制造平面的投影,主要解決企業智能制造推進過程中需要解決的關鍵技術問題,其中BA智能裝備標準主要聚焦智能特征維度的資源要素,BB工業軟件標準主要聚焦智能特征維度的系統集成,BC智能工廠標準主要聚焦智能特征維度的資源要素和系統集成,BD智慧供應鏈標準對應智能特征維度互聯互通、融合共享和系統集成,BE智能賦能技術標準對應智能特征維度的資源要素、互聯互通、融合共享、系統集成和新興業態,BF智能制造新模式標準對應智能特征維度的新興業態,BG工業網絡標準對應智能特征維度的互聯互通和融合共享。C行業應用標準位于智能制造標準體系結構圖的最頂層,面向行業具體需求,對A基礎共性標準和B關鍵技術標準進行細化和落地,指導各行業推進智能制造。
(二)智能制造標準體系框架
智能制造標準體系框架圖包含了智能制造標準體系的基本組成單元,具體包括A基礎共性、B關鍵技術、C行業應用等3個部分,如圖3所示。

圖3 智能制造標準體系框架圖
四、建設內容
(一)基礎共性標準
主要包括通用、安全、可靠性、檢測、評價、人員能力等6個部分,如圖4所示。主要用于統一智能制造相關概念,解決智能制造基礎共性關鍵問題。

圖4 基礎共性標準子體系
1. 通用標準
主要包括術語定義、參考模型、場景等3個部分。術語定義標準主要包括用于統一智能制造相關概念的術語、詞匯、符號、代號等標準。參考模型標準主要包括用于幫助各方認識和理解智能制造標準化的對象、邊界、各部分的層級關系和內在聯系的參考模型、系統架構等標準。場景標準主要包括智能制造典型場景建設的參考指引標準。
2. 安全標準
主要包括功能安全、網絡安全、數據安全等3個部分。功能安全標準主要包括智能制造中功能安全系統的設計、實施、測試等標準。網絡安全標準指以確保智能制造中相關終端設備、控制系統、工業互聯網平臺、邊緣計算、工業數據等可用性、機密性、完整性為目標的標準,重點包括企業網絡安全分類分級管理、安全管理、安全成熟度評估和密碼應用等標準。數據安全標準主要包括工業數據質量管理、加密、脫敏及風險評估等標準。
3. 可靠性標準
主要包括工程管理、技術方法等2個部分。工程管理標準主要包括智能制造系統可靠性要求、可靠性管理、綜合保障管理、壽命周期成本管理等標準。技術方法標準主要包括可靠性仿真、可靠性設計、可靠性試驗、可靠性分析、可靠性評價等標準。
4. 檢測標準
主要包括檢測要求、檢測方法、檢測技術等3個部分。檢測要求標準主要包括不同類型智能裝備和系統的互操作性、互聯互通、系統能效等測試要求標準。檢測方法標準主要包括不同類型的智能裝備和系統的試驗內容、過程、分析、環境適應性和參數校準等標準。檢測技術標準主要包括面向智能制造檢測技術的判斷性檢測、信息性檢測等標準。
5. 評價標準
主要包括指標體系、評價方法、解決方案等3個部分。指標體系標準主要包括制造企業實施智能制造的績效評價指標、供應商提供的智能制造服務能力水平等標準。評價方法標準主要包括成熟度模型、評價過程、結果判定等標準。解決方案標準主要包括基于評價結果企業智能制造能力提升方法、場景化解決方案通用要求等標準。
6. 人員能力標準
主要包括智能制造人員能力要求、能力評價等2個部分。能力要求標準主要包括從業人員知識儲備、技術能力和實踐經驗等要求標準。能力評價標準主要包括不同職業從業人員評價、評估師評價等標準。

(二)關鍵技術標準
主要包括智能裝備、工業軟件、智能工廠、智慧供應鏈、智能賦能技術、智能制造新模式、工業網絡等7個部分。
1.智能裝備標準
主要包括智能感知與控制裝備、數控機床與工業機器人、智能檢測與裝配裝備、智能物流與倉儲裝備、增材制造裝備等5個部分,如圖5所示。主要規定智能裝備的信息模型、數據字典、通信協議、數據接口、功能和性能測試等要求。

圖5 智能裝備標準子體系
(1)智能感知與控制裝備標準
主要包括智能傳感器、儀器儀表等裝備的數據感知、操作控制、人機交互等通用技術標準;信息模型、時鐘同步、互聯互通、協議一致性等接口與通信標準。
(2)數控機床與工業機器人標準
主要包括數控機床和工業機器人的運動控制、安全要求、運行維護、性能測試等通用技術標準;信息模型、數據接口、通信協議等接口與通信標準。
(3)智能檢測與裝配裝備標準
主要包括智能檢測與裝配裝備的組成要素、參數配置、功能和性能要求等通用技術標準;數據接口、適配要求、集成規范等接口與通信標準。
(4)智能物流與倉儲裝備標準
主要包括智能倉儲、輸送、分揀與揀選、裝卸搬運、包裝等裝備的標識解析、業務協同等通用技術標準;數據接口、通信協議等接口與通信標準。
(5)增材制造裝備標準
主要包括增材制造裝備的工藝知識庫、模型數據質量、測試方法、檢測指標、檢測性能評估等通用技術標準;數據格式、數據接口等接口與通信標準。

2.工業軟件標準
主要包括研發設計軟件、經營管理軟件、生產制造軟件、控制執行軟件等4個部分,如圖6所示。主要規定工業軟件在數字化車間、智能工廠及企業運營過程中的集成規范和應用指南等內容。

圖6 工業軟件標準子體系
(1)研發設計軟件標準
主要包括計算機輔助設計(CAD)、計算機輔助工程(CAE)、計算機輔助工藝規劃(CAPP)、計算機輔助制造(CAM)、電子設計自動化(EDA)、產品數據管理(PDM)及基于大數據、人工智能等賦能技術的研發設計軟件應用指南和集成實施標準。
(2)經營管理軟件標準
主要包括企業資源計劃(ERP)、供應鏈管理(SCM)、客戶關系管理(CRM)、人力資源管理(HRM)、質量管理系統(QMS)、資產績效管理系統(APM)、項目管理(PM)軟件等經營管理軟件應用指南和集成實施標準。
(3)生產制造軟件標準
主要包括制造執行系統(MES)、高級計劃排程系統(APS)、工廠物料運輸管理系統(TMS)、能源管理系統(EMS)、故障預測與健康管理軟件(PHM)、運維綜合保障管理(MRO)等生產制造軟件應用指南和集成實施標準。
(4)控制執行軟件標準
主要包括工業操作系統、工業控制軟件、組態編程軟件等控制執行軟件的應用指南和集成實施標準。

3.智能工廠標準
主要包括智能工廠設計、智能工廠交付、智能設計、智能生產、智能管理、工廠智能物流、集成優化等7個部分,如圖7所示。主要規定智能工廠設計與交付,智能工廠運營時的設計、生產、管理、物流、系統集成等內容。

圖7 智能工廠標準子體系
(1)智能工廠設計標準
主要包括智能工廠/數字化車間的設計要求、設計模型、設計驗證、設計文件編制以及協同設計等總體規劃標準;物理工廠數據采集、工廠布局,虛擬工廠參考架構、工藝流程及布局模型、生產過程模型和組織模型、生產設備全信息建模、仿真分析,實現物理工廠與虛擬工廠之間的信息交互等物理/虛擬工廠設計標準。
(2)智能工廠交付標準
主要包括設計、實施階段數字化交付通用要求、交付信息模型、交付數據采集要求、交付系統要求、交付系統集成要求、交付實施指南、基于交付模型的運行維護實施指南等數字化交付標準;智能工廠項目不同階段竣工驗收要求標準。
(3)智能設計標準
主要包括基于數據和知識驅動的參數化模塊化設計、基于模型的系統工程(MBSE)設計、多CAD協同設計、基于多業務協同的動態優化設計與仿真等產品設計與仿真標準;基于制造資源數字化模型(MBD)工藝設計、柔性設計、質量要求以及驗收要求等工藝設計與仿真標準;試驗方法、試驗數據與流程管理等試驗設計與仿真標準。
(4)智能生產標準
主要包括計劃建模與仿真、多級計劃協同、可視化智能云排產、云邊協同優化調度等計劃調度標準;全流程多工序協同優化、生產工藝決策、生產過程管控與優化、異常管理及防呆防錯機制等生產執行標準;智能在線質量監測、預警和優化控制、質量檔案及質量追溯等質量管控標準;設備運行狀態監控與優化、故障診斷與設備健康評估等設備運維標準。
(5)智能管理標準
主要包括原材料、輔料等質量檢驗分析、采購訂單智能分析等采購管理標準;銷售預測、全渠道營銷管理、銷售行為管理、客戶服務管理等銷售管理標準;設備管理、知識管理等資產管理標準;可視化能源監控、能效評估等能源管理標準;風險點實時監控、應急管理、危化品管理等安全管理標準;環保實時監測、預測預警等環保管理標準。
(6)工廠智能物流標準
主要包括工廠內物料與貨物狀態標識與信息跟蹤、作業分派與設備管控及協同調度、收貨揀貨配貨、倉儲信息管理等智能倉儲標準;波次管理、分揀任務動態調度、分貨揀貨配貨、配送路徑規劃與管理、貨物信息全流程收集管理等智能配送標準。
(7)集成優化標準
主要包括滿足工廠內業務活動需求的裝備/產線/車間各層級軟硬件集成、企業業務能力集成互操作、系統解決方案集成服務等集成要求標準;數據/知識/模型驅動的全生命周期業務優化、決策與控制集成優化、用戶需求與產品設計/生產制造閉環動態優化等優化要求標準。

4. 智慧供應鏈標準
主要包括供應鏈建設、供應鏈運營、供應鏈評估等3個部分,如圖8所示。主要規范供應鏈建設管理,實現供應鏈上下游高效協同,提升供應鏈韌性。

圖8 智慧供應鏈標準子體系
(1)供應鏈建設標準
主要包括供應鏈控制塔及平臺的平臺架構與設計、接口與集成、維護與升級等平臺建設與部署標準,人力、財務、信息、流程等資源整合與優化標準,供應鏈上下游之間的數據共享、保護、整合、協作等數據共享與協同標準。
(2)供應鏈運營標準
主要包括供應商準入、合作、績效評價、廢止等供應商管理標準;上下游相關主體間、主體內部業務活動等業務協同標準。
(3)供應鏈評估標準
主要包括供應鏈風險識別與評估、風險預警與防范控制等風險評估標準;供應鏈韌性指標體系、測試與評估方法等性能評估標準。

5. 智能賦能技術標準
主要包括人工智能、大數據、云計算、邊緣計算、數字孿生和區塊鏈等6個部分,如圖9所示。主要用于指導新技術向制造業領域融合應用,提升制造業智能化水平。

圖9 智能賦能技術標準子體系
(1)人工智能標準
主要包括面向工業領域的大模型、機器學習、知識圖譜的參考架構、系統要求、性能要求、測試方法、數據訓練及生成內容評價等通用要求標準;面向工業領域重點行業及典型場景的模型、算法、知識及系統的集成、部署、應用、管理和運維等服務應用標準。
(2)大數據標準
主要包括面向工業領域數據的分類分級、命名規則、描述與表達、確權規則等元數據與數據字典標準;智能制造領域各類對象的標識規則、解析規范、異構標識互操作等標識標準;平臺建設的要求、運維和檢測評估等數據平臺標準;數據采集、分析、可視化、訪問、管理等數據處理標準。
(3)云計算標準
主要包括工業云參考架構、工業云操作系統等通用要求標準;面向工業云服務的服務協議、能力要求、計量指標、效果評價等服務質量標準;面向數據管理、知識庫接入、資源配置等資源共享標準。
(4)邊緣計算標準
主要包括應用于工業領域的邊緣計算架構、邊緣數據、測試與評價等通用要求標準;邊緣計算節點、邊緣計算平臺、邊緣操作系統等計算能力標準;邊緣計算接口、邊云協同等互聯互通標準。
(5)數字孿生標準
主要包括工業領域數字孿生參考架構、功能和信息安全等通用要求標準,數字實體構建與運行管理、數據分類與表達、數據存儲與處理等數字實體標準,測量感知、反饋控制等孿生互動標準,面向行業及典型場景的預測仿真、優化控制、可視化交互等服務應用標準。
(6)區塊鏈標準
主要包括工業領域區塊鏈參考架構、標識體系、目錄尋址、系統要求等通用要求標準;基于區塊鏈的工業互聯網平臺架構、工業數據存證等平臺管理標準,面向行業及典型場景的供應鏈管理、生產溯源、質量可信管理等服務應用標準。

6. 智能制造新模式標準
主要包括大規模個性化定制、智能運維服務、網絡協同制造、產銷一體化運營及其他等5個部分,如圖10所示。主要用于實現產品與服務的融合、分散化制造資源的有機整合和各自核心競爭力的高度協同,解決了綜合利用企業內部和外部的各類資源,提供各類規范、可靠的新興模式問題。

圖10 智能制造新模式標準子體系
大規模個性化定制標準主要包括通用要求、需求交互要求、設計要求、生產要求等標準;智能運維服務標準主要包括通用要求、數據接口、狀態監測、故障診斷、壽命預測、運維決策等標準;網絡協同制造標準主要包括平臺技術要求、資源模型要求、協同經營管理、網絡協同設計、網絡協同生產等標準;產銷一體化運營主要包括運營總體架構、平臺技術要求、數據分類規范等標準;其他主要包括上述四類以外的智能制造新模式的通用要求和服務交付等標準。

7. 工業網絡標準
主要包括工業無線網絡、工業有線網絡、工業網絡融合和工業網絡資源管理等4個部分,如圖11所示。主要用于滿足智能制造環境中低時延、高可靠等網絡需求,實現工業網絡架構下不同層級和異構網絡之間的組網,規范網絡地址、服務質量、無線電頻率等資源使用技術要求及網絡運行管理,涉及無線電頻率使用的,還應當符合相關頻率使用規劃和有關政策規定,以及無線電發射設備射頻技術指標等要求。

圖11 工業網絡標準子體系
工業無線網絡標準主要包括無線局域網(WLAN)、無線可尋址遠程傳感器高速通道(WirelessHART)、用于工廠自動化/過程自動化的工業無線網絡(WIA-FA/PA)、窄帶物聯網(NB-IoT)、5G應用、北斗應用等標準。工業有線網絡標準主要包括現場總線、工業以太網、工業無源光纖網絡(xPON)、工業綜合布線、單對線以太網等標準。工業網絡融合標準主要包括確定性網絡(DetNet)、時間敏感網絡(TSN)、信息技術/運營技術(IT/OT)融合、異構網絡間互通、IPv6+、高可靠組網等標準。工業網絡資源管理標準主要包括網絡地址管理、網絡頻譜管理、網絡智能運維等標準。

(三)行業應用標準
主要包括鋼鐵、有色金屬、石化、化工、建材、汽車、電力裝備、船舶與海洋工程裝備、軌道交通裝備、航空航天、輕工、紡織、電子信息及其他等14個部分,如圖12所示。發揮國家標準體系指導作用,結合行業特色,聚焦行業近3年亟待解決的問題,分析國家基礎共性、關鍵技術標準適用性,在選取適用基礎共性、關鍵技術等國家標準基礎上,確保行業標準與國家標準的協調配套,提出細分行業擬制定標準的重點研制方向,加快推動細分行業智能制造標準體系建設。

圖12 行業應用標準子體系
1.鋼鐵
針對鋼鐵行業流程長、工序界面多、生產體系復雜、單/多基地管控模式多樣等特點,圍繞鐵鋼軋大工序邊側智能工廠、單基地及企業多基地協同管控等,制定質量、物流、能源環保、安全、設備等分層集成優化管控等規范或規程類標準;圍繞上料、生產、下料等環節,制定鐵鋼軋各工序的生產過程智能化控制、輔助工序智能化、數字孿生及工序銜接等規范或規程類標準;圍繞質量缺陷檢測、性能檢驗及工序界面轉運等場景,制定智能檢測裝備、工業機器人及無人運輸裝備等智能裝備類規范/規程/指南類標準;圍繞新一代信息技術應用,制定工業大數據平臺、數據治理、檢測方法、評價模型、網絡安全等規范/規程/指南類標準;制定面向行業的智能工廠評價、能力評估等實施指南標準。
2.有色金屬
針對有色金屬行業金屬品種多、原料品質差異大、生產工藝復雜、安全要求高、物流調度頻繁等特點,圍繞有色金屬行業采選領域的本質安全與資源集約、冶煉領域的清潔環保與節能降耗、加工領域的質量穩定與柔性生產等對數字化轉型和智能化升級的實際需求,制定有色金屬行業標識及數據編碼規范標準;制定智能控制及智能設備設施技術要求或規范標準;制定數字化平臺應用相關的數據采集、數據治理、數據安全、大數據平臺、工業網絡、數字孿生、機理模型及數據模型規范標準;制定面向行業的智能工廠評價、能力評估等實施指南標準。
3.石化
針對石化行業安全風險高、實控要求高、能源消耗大、環保要求高等特點,圍繞智能工廠總體建設,制定智能工廠信息模型、參考架構等工廠設計規范標準;圍繞新一代信息技術應用,制定人工智能、數字孿生等新技術應用規范或規程標準;圍繞智能工廠核心業務,制定智能工廠運行、優化控制、安全環保、倉儲物流、設備管理、現場人員定位等規范或規程標準;制定面向行業的智能工廠評價、能力評估等實施指南標準。
4.化工
針對化工行業生產易燃易爆有毒有害、行業細分領域多、企業集中入園等特點,圍繞基礎化學原料、化工新材料、精細化學品等細分領域,制定優化控制、安全環保、質量管控、能源管理、倉儲物流、設備管理等規范標準;圍繞企業數字基礎設施、數據流通應用,制定工程數字化交付、新型工業控制網絡等技術應用規范標準;圍繞產品定制、流程模擬、操作優化等產品研發及工藝設計,制定產品知識圖譜、物料屬性數據等規程標準;圍繞化工園區高質量發展,制定公用工程智慧監測管理、安全環保監測預警等管理規范標準;制定面向行業的智能工廠建設、智能工廠評價、能力評估等實施指南標準。
5.建材
針對建材行業細分領域多、工藝差別明顯等特點,圍繞水泥、玻璃、陶瓷等領域,制定工藝仿真、優化控制、質量管控、能源管理、設備管理、倉儲物流管理等規范標準;圍繞石灰石礦山、砂石骨料等非金屬礦領域,制定智能礦山、無人駕駛礦卡等規范標準;圍繞無機纖維、混凝土及水泥制品、墻體材料、防水材料等領域,制定智能工廠通用技術規范標準;圍繞新一代信息技術應用,制定基于人工智能的缺陷檢測、基于工業云的供應鏈協同等指南標準;制定面向行業的智能工廠評價、能力評估等實施指南標準。
6.汽車
針對汽車產業技術密集性強、零部件眾多、產業鏈長、細分車型種類較多、生產工藝過程復雜等特點,圍繞智能賦能技術在汽車設計研發、生產制造、物流供應鏈、營銷、出行服務及評價等方面,突出汽車沖壓、涂裝、焊裝、總裝四大工藝特點,兼顧企業級和協同級內外智能制造應用場景,制定基于數字孿生的汽車產品研發設計、試驗驗證、產線制造及集成等規范標準;制定面向工廠規劃仿真、工廠協同設計、工程施工模擬、產線調試、工廠交付的生產制造相關的技術要求及應用指南標準;制定用于產品及工廠評價的成熟度診斷評估、智能工廠評價、供應鏈協同能力評估等實施指南標準。
7.電力裝備
針對電力裝備行業產品種類多、個性化定制以及運維需求大等顯著特點,圍繞智能電網用戶端及電動機等領域,制定智能工廠建設指南標準和系統集成規范;制定制造過程數字化仿真(加工過程、生產規劃及布局、物流仿真)、資源數字化加工、數字化過程控制、數字化協同制造、設備遠程運維、個性化定制、智能制造能力評估等實施指南標準。
8.船舶與海洋工程裝備
針對船舶制造智能化的內涵、描述和指標體系等不統一,智能制造裝備集成應用不規范,協同管控精細化程度不高,數字化工廠建設目標不明確,新興技術應用緩慢等問題,突破船舶行業智能制造關鍵共性技術,加強智能裝備研發、船廠生產協同管控、數字化示范船廠建設以及5G等新興技術在船舶制造中的集成創新應用,形成船舶制造能力評價模型、智能裝備、智能工廠、供應鏈協同和遠程檢驗等技術規范標準。
9.軌道交通裝備
針對軌道交通裝備行業多品種、小批量、新造與運維并重、個性化定制等特點,圍繞焊接、打磨、裝配調試、物流等典型業務場景智能工廠建設,制定智能裝備檢測認證、三維模型應用規范、工業機器人接口及工藝技術要求等關鍵技術標準;制定智能制造項目實施指南、高速動車組遠程運維等應用標準。
10.航空航天
針對航空航天行業多品種、小批量、基于模型的研制模式、設計制造多方協同等特點,圍繞智能工廠、數字化車間建設或升級改造,制定基于模型的數字化設計、基于云的協同設計平臺、適用于復雜工藝的生產線虛擬仿真和環境監測方面的規范標準;制定基于工業大數據的生產過程狀態預知與優化應用規范標準。
11.輕工
針對輕工行業細分領域多、工藝流程差別大、面向消費者需求差異大等特點,圍繞食品加工機械、皮革機械、縫制機械、日用化工機械、造紙機械等輕工專用裝備領域,制定輕工機械互聯互通、遠程運維、能效狀態檢測與校準等規范或指南類標準;圍繞家電、家具、皮革、造紙、五金制品、塑料制品、照明、食品等重點領域生產端,制定智能工廠設計與運維、智能生產管控、質量在線檢測與追溯等技術標準;圍繞家電、家具、鐘表、照明電器等重點領域消費端,制定智能家居、智能感知與交互、大規模個性化定制和服務、智能產品運維服務等產品和技術標準。
12.紡織
針對紡織行業總體離散型、局部流程型制造的特點,圍繞紡紗、化纖、織造、非織造、印染、服裝及家紡等領域,制定專用裝備的互聯互通、信息模型、遠程運維技術要求等規范或指南標準;制定數字化車間或智能工廠建設過程中的數據、物流倉儲、系統集成等規范或規程標準;制定大規模個性化定制等新模式應用規范或指南標準。
13.電子信息
針對電子信息制造行業技術復雜性高、產品迭代快、多品種小批量特征明顯、產品個性化和定制化需求增長快等特點,圍繞電子元件及電子專用材料、電子器件、信息通信產品和系統、智能消費設備、鋰電池等領域的生產和加工,制定專用智能裝備和系統的信息模型、互聯互通要求等標準規范;制定柔性生產線、數字化車間、智能工廠的建設指南、系統集成、智能生產管控、質量在線檢測與追溯等標準;制定個性化定制、遠程運維、供應鏈協同等應用指南標準。
14.其他
食品行業重點面向乳品飲料、釀酒、冷凍食品、罐藏食品等領域,制定智能工廠設計、釀造灌裝、工藝決策、遠程運維、標識解析等標準。農業機械、工程機械行業重點制定大規模個性化設計、智能運維服務監測等標準。印刷行業重點制定印刷柔性化工藝流程設計、系統間信息交互等標準。民爆行業重點制定關鍵工藝裝備狀態監控、運維要求等標準。光伏行業重點制定數據通信、信息安全、信息標識及智能工廠、智慧供應鏈等標準。
五、組織實施
加強統籌協調。在工業和信息化部、國家標準化管理委員會的指導下,充分發揮國家智能制造標準化協調推進組、專家咨詢組和總體組的作用,加強智能制造標準體系頂層規劃與智能工廠培育、智能制造系統解決方案揭榜掛帥、智能制造標準應用試點等工作的協同,推動優秀實踐成果的標準化沉淀。
加快標準研制。充分利用多部門協調、多標準化技術組織協作等機制,統籌產學研用各方力量,探索標準攻關新方法,鼓勵企業積極參與,基于實踐提出具有自主知識產權標準項目,加強關鍵技術和行業應用標準預研和試驗驗證能力,加快早期重點標準修訂,減少標準交叉重復,提升標準有效供給。
加強標準應用。持續開展智能制造標準應用典型案例遴選,培育一批標準實踐行業標桿,加大優秀成果的宣傳推廣力度,充分發揮地方主管部門和行業協會組織作用,開展面向行業、地方的貫標行動,加強標準的宣貫和培訓,構建面向典型應用場景標準群,鼓勵產業鏈上下游企業、中小企業開展對標行動,提升企業標準應用能力。
實施動態更新。建立標準研制與應用反饋機制,挖掘智能制造技術和產業發展標準化需求,解決智能制造發展新問題,做好智能制造標準體系規劃建設,適時修訂《國家智能制造標準體系建設指南》,推動更多行業開展行業智能制造標準體系研究,鼓勵企業開展智能制造標準體系建設,充分發揮智能制造標準體系支撐引領作用。
加強國際合作。定期舉辦智能制造標準化國際論壇,積極參與國際標準化組織(ISO)、國際電工技術委員會(IEC)、國際電信聯盟(ITU)等組織的國際標準化活動,積極貢獻中國方案。深化中德、中法、金磚、“一帶一路”等多雙邊合作機制,加強智能制造領域的國際標準合作。